A "CONVERTIBLE" CRYSTAL RADIO
updated 6 Jan 00

I kluged this design up while messing around with my 130 in 1 projects kit, and was pleasantly surprised with the results:


HERE is a picture of my daughter's convertible

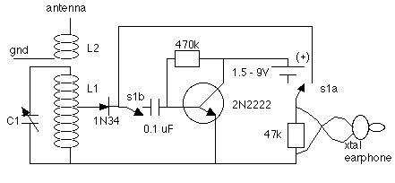
On cursory inspection, you can see that this is a basic crystal set with the ability to switch in a very simple amplifier in place of the diode.  Pretty neat for only three parts a switch and a battery, huh?

The tuning coil , L1, is 105 turns #24 enameled magnet wire close wound on a toilet paper roll and tapped at 10 turns and 30 turns for the detector, which I found to be about right for sharp and broad tuning.  Actually, on testing, I found that the selectivity on the 10 turn tap was only about a 2 dB improvement over the 30 turn tap, and was about 9 dB less sensitive.  Still, it does help separate the close stations a bit, and can help keep the set from overloading when you are using the amp and run into a strong station.  Overloading can also be reduced by pulling L2 away from L1.
The antenna coil, L2, is 15 turns close wound #24 on the same roll, but cut loose so you can move it about to vary your coupling between antenna and tuned circuit.  Add even more taps if you like to experiment.  I found that with the capacitor connected at the 50 turn tap (limiting tuning to the top of the band), sensitivity at the top of the band improved by 3 dB or so; not much use for me, since my close stations are up there, but if your top of the band stations are not strong....well, you get the idea.

Capacitor C1 is one of the mica varicaps from Mouser, with both sides joined for about 200 pf.  The rig as described tunes from  640 to 1600 kHz with a flat response, and selectivity is pretty good.  The tuning coil tested out at 255 uH.

While I used a 2N2222, the cockroach of transistors, other general purpose transistors seem to work about as well.  If you use a PNP, reverse the battery connection.  Ed Ganger sent in two amplifier circuits for this set using a junction field effect transistor, or jfet, which you can see HERE.  I haven't tried it yet, but Ed uses jfets all the time in his circuits, and seems to know what he's talking about, so give it a try - turns out the price is about the same.

The values for the resistor and the capacitor for the detector/amplifier are not critical, and neither is the battery voltage.  I even got fair results with a solar cell under a desk lamp.  Feel free to play around with these.   And don't bother buying a new battery either; recycle the one you just pulled from your smoke detector.

If you want, you can get up into the short-wave broadcast bands by cutting back on the turns to L1.  About 10 turns or so get you up there.  On the other hand, use an alligator clip for the connection of the top of the capacitor to the coil, and shift it down to the 10 turn tap for some shortwave broadcasts.  When I tried it, I immediately picked up Radio Habana, Voice of America, and a couple of others.I recommend a second coil just for SW for best performance, however.

My students built this set without the optional amplifier, and it's a very nice crystal radio by itself.  I can satisfactorily separate  the two strongest local stations that are only 50kHz apart.If you live near strong stations, you should try tapping even further down than I do for better selectivity.  Your location really makes a difference.

The earphone is a high impedance crystal type, Mouser has them, and you can get them from Radio Shack, but only by special order - get the one that comes with the project kits.

Since I was trying to hold the cost down, I made this set pretty barebones - note the less than full AM tuning range.   You can use a larger capacitor if you have one, or put another 200 pF cap in parallel with the first and gain full band coverage plus some band spread.  Less the battery and antenna, finished cost for this baby was about $5.00.  I got some of the parts from   Dan's in bulk and shaved the cost of the amp, including switch and battery clip, to about a buck.  If you live in an area with some powerful stations, you might put in a 1k to 5k pot between the 0.1 pf capacitor and the base of the transistor.  The amp will also drive a set of low impedance headphones, or even a speaker on strong stations, but you need to replace the 47k resistor with a 0.001 uf capacitor, and put in a 8:1000 ohm transformer to drive the headphones.  Of course, all these refinements cost money, a real consideration when dealing with students.

Finally, I have made no attempt to do any rigorous analysis of the amp itself- I am fairly sure it would drive any electronic engineer into convulsions, but the darn thing works pretty well.  On the other hand, I have had several of my students suffer through  the Radio Shack  transistorized kits, with mediocre results.  This rig works adequately with a halfway decent antenna/ground when used in the crystal radio mode, and will always  pick up something, even with a crappy antenna, with the amplifier.  I have picked up relatively low power stations within a couple of miles without an antenna or ground - the coil acts as a loop antenna.

    22 Mar 99 update - I decided to modify the drawing tonight after experimenting with this thing for the first time in a year.  Just for grins, I put the 1N34 diode into the circuit for  both the xtal or amp mode - guess what?  The selectivity of the rig improved considerably by doing this - I lost a little bit of loudness, but for the first time was able to amplify the dx stations without them being swamped by the locals when using the amplifier.  Didn't even have to go to the 10 turn tap; just pulling the antenna coil away from the tuning coil was all I had to do on the locals to keep from overdriving my earplug;  I guess I could have used a volume control, but there we go with more parts again.

    6 Jan 00 update - well duh!  If you want full band coverage with the 200 (actually about 220) pF polyfilm variable, just make your coil 400 uH.  With #24 enameled wire, this means about 153 turns closewound on a standard toilet paper core.  Yes, it violates the 2:1 length to diameter rule slightly but works pretty well nevertheless, and really doesn't matter when you decide to convert this rig into a regenerative receiver.  Go ahead and tap the coil every ten turns from ground out to about 70 turns in case you need them sometime - if you're like me, every part gets scavenged for later use, particularly coils.  For students, a tap at about 50 turns works nicely.  With a 400 uH coil and the polyfilm cap, you will find that you will need to adjust the trimmer on each section to minimum capacitance (plates open) to get full BC band coverage.

HOME    LINKS   CONSTRUCTION TIPS    COMMENTS  ANTENNAS   TESTING   REVIEW     PROJECTS